kitagawa 上海北川铁社贸易有限公司

Language

Machine Tool

NTS3 & NTB用接近开关支架

选择项

NTS3 & NTB用接近开关支架ズーム
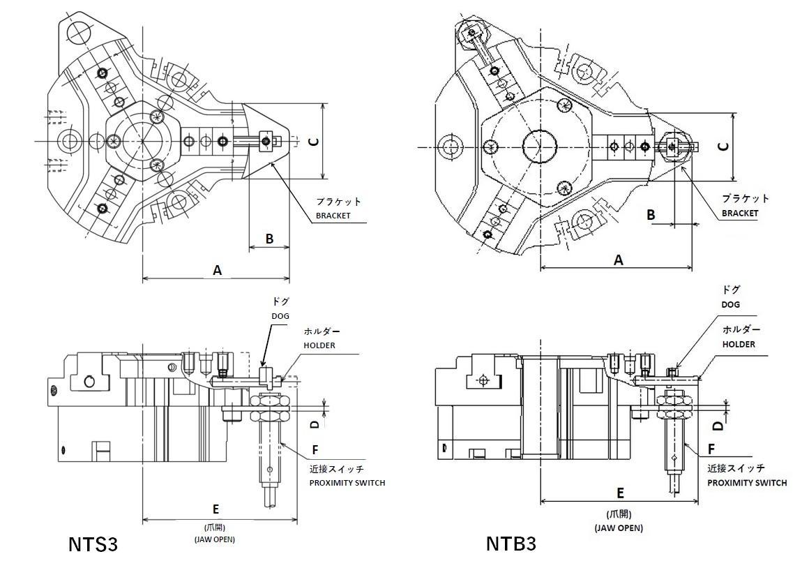
  • 接近开关的安装件,用于检测卡爪开闭

规格

 

NTS3-B+NTB3-B.jpg

 

支架型号 机械卡爪型号 外形尺寸 零件的3D数据
A B C D E F
NTS307-B NTS307 56.5 7.5 30 2 59.5 M8
NTB309 64.5 7.5 30 2 67 M8
NTS309-B NTS309 64.5 7.5 33.5 2 69.5 M8
NTB311 76 7.5 33.5 2 80.5 M8
NTS311-B NTS311 76 7.5 39.5 2 83 M8
NTB313 90 7.5 39.5 2 96.5 M8
NTS313-B NTS313 90.5 7.5 50 2 105 M8
NTS317-B NTS317 113 6.5 65 2 127 M8

机床附件快速预览

PAGE TOP